歡迎來到安平縣秉德絲網制品有限公司網站!

青海省海南藏族自治州貴南縣過馬營鎮(zhèn)哇讓電站2.5米高鋼格柵圍欄專業(yè)生產廠家
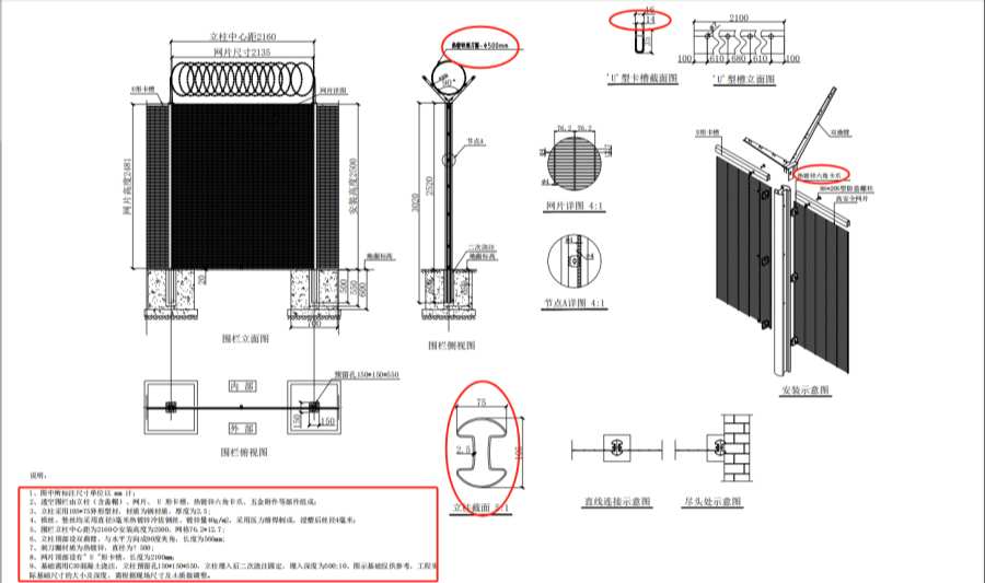
2.5m 高鋼格柵圍欄由立柱(含蓋帽)、網片、U 形卡槽、鍍鋅鋼六角卡爪、五金附件等部件成:立柱采用105×75 異形型材,材質為鍍鋅鋼,厚度為2.5mm(噴涂前需保證鋼材厚度不小于 2.3mm-2.4mm),橫絲、豎絲采用聚酯侵塑后直徑4mm(浸塑前需保證絲徑不小于 3mm),顏色為綠色。熱鍍鋅冷拔鋼絲,鍍鋅量≥40g/㎡ ,采用壓力熔焊制成。圍欄立柱中心距為 2160mm,安裝高度為2500mm,網格為 76.2*12.7mm,立柱頂部設雙曲臂,與水平方向成90 °夾角,長度為 566mm,表面熱鍍鋅,鍍鋅量>275g/㎡ ,刺刀圈材質為熱鍍鋅鋼,直徑為φ500mm。U 形卡槽材質為鍍鋅鋼 ,壁厚為1.0mm,做噴塑處理。